Compresor frigorific Cubigel GP14TB (R134a)

Motor monofazat Cubigel (ACC) GP14TB, temperaturi medii si pozitive (MHBP), 14.17 cmc, 230V

  • Compresor Cubigel, înlocuitor al GP14TG, cu aplicații pentru refrigerare, 622 W la -10ºC*.
  • Compresor frigorific cu aplicații pentru temperaturi refrigerare și temperaturi medii (MHBP).
  • Compresor 220V cu design compact, greutate redusă și silențiozitate în funcționare.
  • Motor: CSIR (Capacitor Start-Induction Run), cu condensator de pornire; bobinaj auxiliar decuplat dupa start up. Eficiență conform standardelor.
  • Acest model de compresor compact este utilizat mai ales pentru răcitoare de apă, răcitoare de băuturi, vitrine de mici dimensiuni.
  • Alimentare monofazică.
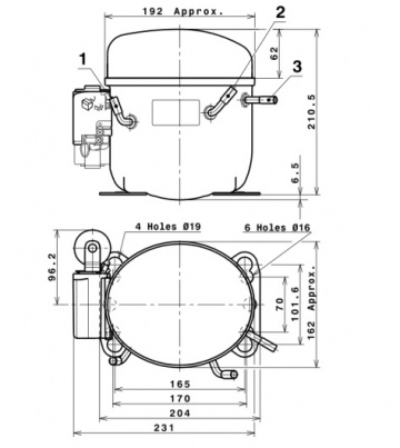
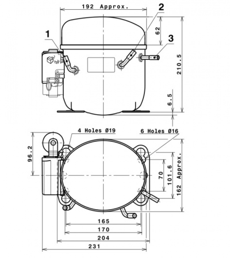
  • Înălțime netă: 210.5 mm.

    *CECOMAF 45ºC temp.condens.

Specificații

  • Alimentare electrică 220-240/50/1 V/Hz/Ph
  • Aplicabilitate MBP, HBP
  • Refrigerant R134a
  • Cilindree 14.17 cm³
  • Tip motor CSIR
  • Capacitate frigorifică [W] / Temp. vaporiz. [°C]
    • -40°C : - W
    • -35°C : - W
    • -30°C : - W
    • -25°C : 191 W
    • -15°C : 476 W
    • -10°C : 622 W
    • -5°C : 789 W
    • 5°C : 1189 W
    • 7,2°C : 1289 W
    • 10°C : 1422 W
  • Greutate netă 11.20 kg

Tabel comparativ

Cubigel HMBP (R134a)
Modele Alimentare electrică (V/Hz/Ph)AplicabilitateCilindree (cm³)Capacitate frigorifică [W] / Temp. vaporiz. [°C] (W)
-40°C-35°C-30°C-25°C-15°C-10°C-5°C5°C7,2°C10°C
B25GL220-240/50/1HBP2.6----91110138219242273
B30G220-240/50/1HBP3.1----83147188229272270
B35GL220-240/50/1HBP3.5----100157199262316321
B38G220-240/50/1HBP3.8----129211263397432479
GL45TG220-240/50/1MBP
HBP
4.5---94169217274409443488
GU45TG220-240/50/1MBP
HBP
4.5---113196249311457494542
GL60TB220-240/50/1MBP
HBP
5.68---95170270341437450528
GU60TG220-240/50/1MBP
HBP
6.00---95170310385437450528
GL80TB220-240/50/1MBP
HBP
7.57---111212347437554570668
GL80TG220-240/50/1MBP
HBP
7.57---145201347437653706778
GU80TB220-240/50/1MBP
HBP
8.10----329402500767839937
GL90TB220-240/50/1MBP
HBP
8.85---143259661680796
GPY12RA220-240/50/1MBP
HBP
12.10---228494628783115312451368
GP14TB220-240/50/1MBP
HBP
14.17---191476622789118912891422
GP16TB220-240/50/1HBP16.15---269561738942142815491710
GP16TG220-240/50/1HBP16.15---269561738942142815491710
GX18TB220-240/50/1MBP
HBP
18.40---3626698651090162617591936
GX21TB220-240/50/1MBP
HBP
20.72---4097509691220181919682166
GX23TB220-240/50/1MBP
HBP
23.20---46082910671341199821622381
GS26TB220-240/50/1MBP
HBP
25.93---41193812621628248126902969
GS26TG220-240/50/1MBP
HBP
25.93---41193912621628248126902969
GS30TB220-240/50/1MBP
HBP
29.95---494111114951930295332063541
GS34TB220-240/50/1MBP
HBP
34.42---697140418322310341636864044

Accesorii

Compresor frigorific Cubigel GP14TB (R134a)