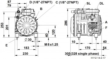
Compresor Dorin H 101 CS, seria H11

Compresor semiermetic Dorin H80CS, aplicații pentru LBP/MBP, refrigeranți R404a/R134a/R507A/R407F/R450A/R513A/R452A/R449A/R448A/R407A

  • Special proiectat pentru eficiență ridicată, fiabilitate și nivel de zgomot redus.
  • COP ridicat datorită dinamicii optimizate a fluidului.
  • Vibrații reduse.
  • Cutie elctrică standard IP65.

Specificații

  • Alimentare electrică 380-420/50/3 V/Hz/Ph
  • Aplicabilitate LBP, MBP
  • Refrigerant R134a, R404A, R507A, R452A, R407A, R407F, R448A, R449A, R513A, R450A
  • Greutate netă 37 kg
  • Încărcare ulei 1,0 dm³
  • Debit 6,71 m³/h
  • Dimensiuni (L x l x H) 305 x 328 x 286 mm
  • Capacitate frigorifică [W] / Temp. vaporiz. [°C] (R404A/R134a)*
    • -40°C : 650/- W
    • -35°C : 915/- W
    • -30°C : 1230/- W
    • -25°C : 1610/- W
    • -20°C : 2050/925 W
    • -15°C : 2560/1290 W
    • -10°C : -/1720 W
    • -5°C : -/2240 W
    • 0°C : -/2850 W
    • +5°C : -/3550 W
    • +10°C : -/4370 W
    • +15°C : - W
    • +20°C : - W
  • Nr. cilindri 2
  • Valvă racorduri
    • suction (asp.) : 16 s. mm
    • discharge (ref.) : 12 s. mm
  • Seria H11
Notes:
*Temperatura de condensare de +45°C.

Tabel comparativ

Dorin
Modele Alimentare electrică (V/Hz/Ph)Debit (m³/h)Capacitate frigorifică [W] / Temp. vaporiz. [°C] (R404A/R134a)* (W)Nr. cilindriValvă racorduri (mm)Seria
-40°C-35°C-30°C-25°C-20°C-15°C-10°C-5°C0°C+5°C+10°C+15°C+20°Csuction (asp.)discharge (ref.)
H51CS380-420/50/34,42---10401320/6220-/8290-/10800-/13800-/17340-/21470-/26250--212 s.12 s.H11
H80CC380-420/50/34,42--785/-1040/-1330/5851660/8202050/11002500/14403020/1840-/2300-/2840-/3440-/4130212 s.12 s.H11
H80CS380-420/50/35,37-----/7402150/10301720/13801350/18001030/2290770/2860545/3520--216 s.12 s.H11
H101CC380-420/50/35,37470/-705/-980/-1310/-1690/7302140/10202660/13703260/1780-/2270-/2840-/3490-/4230-/5070216 s.12 s.H11
H101CS380-420/50/36,71650/-915/-1230/-1610/-2050/9252560/1290-/1720-/2240-/2850-/3550-/4370--216 s.12 s.H11
H151CC380-420/50/36,71595/-875/-1210/-1600/-2050/9352580/13003190/17303890/22504700/2860-/3560-/4380-/5300-/6340216 s.12 s.H11
H151CS380-420/50/37,50745/-1060/-1420/-1840/-2330/10702900/14803560/1970-/2560-/3240-/4040-/4960--216 s.12 s.H11
H181CC380-420/50/37,50680/-985/-1350/-1780/-2290/10702890/14903580/19904390/25905310/33006350/4120-/5060-/6130-/7330216 s.12 s.H11
H181CS380-420/50/39,16900/-1280/-1720/-2250/-2870/13603590/18704430/24805390/3210-/4070-/5060-/6200-*216 s.12 s.H11
H201CC380-420/50/39,16735/-1210/-1710/-2260/-2880/13603590/18704400/24805340/32206430/40907690/5090-/6240-/7560-/9040216 s.12 s.H11
H201CS380-420/50/39,88965/-1380/-1860/-2430/-3100/15703880/21204770/2780-/3560-/4480-/5540-/6760--218 s.16 s.H11
H221CC380-420/50/39,88870/-1290/-1790/-2370/-3050/15603840/21104750/27705810/35607010/44908380/5560-/6790-/8180-/9760218 s.16 s.H11
H221CS380-420/50/310,611040/-1480/-2000/-2620/-3350/16704200/22605190/29506320/3780-/4750-/5880-/7180--218 s.16 s.H11
H251CC380-420/50/310,611040/-1470/-1990/-2600/-3310/16704150/22505120/29606250/37907530/47809000/5920-/7230-/8720-/10400218 s.16 s.H11
H251CS380-420/50/311,641140/-1650/-2240/-2930/-3750/19404700/25905790/33607050/4260-/5330-/6560-/7980--218 s.16 s.H11
H281CC380-420/50/311,641010/-1520/-2120/-2820/-3640/19204600/25605700/33306970/42408430/531010080/6540-/7960-/9570-/11390218 s.16 s.H11
H281SB380-420/50/313,231210/-1750/-2400/-3170/-4070/22605130/30006350/3890-/4940-/6170-/7590-/9230--218 s.16 s.H11
H281CS380-420/50/313,231210/-1750/-2400/-3170/-4070/22305130/29706350/38507750/4890-/6110-/7530-/9160--218 s.16 s.H11
H290CS380-420/50/314,741440/-2050/-2770/-3630/-4640/23705810/31907170/41608730/5310-/6660-/8220-/10020--222 s.16 s.H2
H300CC380-420/50/314,741380/-1990/-2710/-3570/-4580/24005760/32007140/41708730/532010550/667012630/8230-/10030-/12090-/14410222 s.16 s.H2
H300CS380-420/50/315,941640/-2290/-3060/-3980/-5050/25606300/34407750/45009410/5760-/7230-/8930-/10900--228 s.16 s.H2
H350CC380-420/50/315,941650/-2310/-3080/-4000/-5080/25706340/34307800/44809490/574011420/721013620/8920-/10890-/13140-/15680228 s.16 s.H2
H350SB380-420/50/317,531920/-2630/-3470/-4460/-5630/27706980/3730-/4880-/6250-/7850-/9710-/11840--228 s.16 s.H2
H380CC380-420/50/317,531920/-2640/-3490/-4500/-5670/28207050/37708640/492010480/628012580/788014980/9730-/11860-/14280-/17030228 s.16 s.H2
H380SB380-420/50/319,532280/-3060/-3980/-5070/-6360/3050-/4120-/5390-/6900-/8670-/10730-/13100--228 s.16 s.H2
H390CS380-420/50/319,532290/-3070/-4000/-5100/-6380/31007880/41809610/5480-/7010-/8810-/10900-/13310--228 s.16 s.H2
H392CS380-420/50/323,312400/-3370/-4530/-5890/--/3620-/4880-/6400-/8210-/10320-/12780-/15620--228 s.16 s.H2
H355CS380-420/50/319,292400/-3370/-4530/-5890/--/3120-/4160-/5430-/6940-/8730-/10830-/13250--422 s.16 s.H33
H405CC380-420/50/319,291760/-2510/-3440/-4580/-5970/30907640/41609610/546011920/701014590/884017660/10980-/13450-/16290-/19520422 s.16 s.H33
H405CS380-420/50/323,132210/-3160/-4330/-5720/-7370/37209300/497011550/650014140/8350-/10540-/13120-/16120--428 s.16 s.H33
H505CC380-420/50/323,132100/-3020/-4150/-5540/-7210/37509200/505011550/663014280/852017430/1075021040/13340-/16320-/19730-/23580428 s.16 s.H33
H505CS380-420/50/327,332670/-3790/-5140/-6760/-8680/444010930/591013550/771016560/9880-/12460-/15480-/19000--428 s.18 s.H33
H705CC380-420/50/327,332570/-3660/-5000/-6630/-8590/432010920/582013660/765016850/986020520/1249024720/15560-/19120-/23200-/27850422 s.18 s.H33
H705CS380-420/50/331,883190/-4480/-6040/-7910/-10130/533012730/711015750/926019220/11810-/14810-/18310-/22350--428 s.18 s.H33
H755CC380-420/50/331,883080/-4350/-5920/-7820/-10090/524012790/702015950/918019630/1176023870/1480028710/18330-/22400-/27040-/32290428 s.18 s.H33
H551CS380-420/50/327,333610/-5180/-7030/-9220/-11790/449014790/596018250/775022230/9890-/12420-/15380-/18820--428 s.22 s.H35
H701CC380-420/50/327,332530/-3620/-4940/-6540/-8450/443010730/591013410/770016540/983020150/1236024280/15300-/18700-/22580-/27000428 s.22 s.H35
H701CS380-420/50/331,882980/-4280/-5810/-7630/-9760/541012240/716015110/924018400/11710-/14610-/17970-/21840--428 s.22 s.H35
H751CC380-420/50/331,882890/-4130/-5640/-7470/-9670/538012270/713015340/922018910/1170023040/1459027770/17930-/21760-/26120-/31050428 s.22 s.H35
H751CS380-420/50/338,062890/-4130/-5640/-7470/-9670/622012270/829015340/1080018910/1380023040/1734027770/21470-/26250--435 s.22 s.H35
H1002CC380-420/50/338,063450/-4930/-6740/-8920/-11540/607014650/815018310/1068022570/1373027500/1733033150/21530-/26370-/31900-/38170435 s.22 s.H35
H801CS380-420/50/343,734200/-6020/-8180/-10730/-13730/699017220/931021250/1213025890/15530-/19570-/24300-/29800--435 s.22 s.H35
H1003CC380-420/50/343,734010/-5720/-7820/-10350/-13390/689017000/926021250/1213026200/1557031920/1962038470/24330-/29760-/35960-/42990435 s.22 s.H35
H851CS380-420/50/342,814400/-6270/-8480/-11100/-14160/713017740/955021870/1242026610/15800-/19760-/24360-/29640--435 s.28 s.H41
H1201CC380-420/50/342,814290/-6170/-8390/-11010/-14090/662017690/898021880/1183026700/1524032240/1926038530/23940-/29350-/35530-/42550435 s.28 s.H41
H1001CS380-420/50/348,824290/-6170/-8390/-11010/-14090/817017690/1095021880/1425026700/1816032240/2274038530/28040-/34140--435 s.28 s.H41
H1501CC380-420/50/348,825040/-7190/-9720/-12680/-16160/817020210/1095024910/1425030330/1816036540/2274043600/28040-/34140--435 s.28 s.H41
H1501CS380-420/50/356,876040/-8590/-11570/-15060/-19130/953023850/1266029280/1639035510/20800-/25960-/31950-/38840--435 s.28 s.H41
H2001CC380-420/50/356,876050/-8570/-11530/-15030/-19130/875023910/1185029470/1562035870/2013043200/2544051540/31630-/38760-/46910-/56130442 s.28 s.H41
H1601CS380-420/50/363,766790/-9600/-12920/-16840/-21430/1054026760/1403032920/1821039990/23170-/28980-/35730-/43500--442 s.28 s.H41
H2201CC380-420/50/363,766770/-9610/-12960/-16900/-21530/1054026930/1403033200/1821040430/2317048710/2898058120/35730-/43500--442 s.28 s.H41
H2000CS380-420/50/375,837090/-10390/-14280/-18840/-24180/1297030390/1736037560/2259045790/28790-/36060-/44510-/54250--442 s.28 s.H5
H2500CC380-420/50/375,836390/-9760/-13690/-18300/-23700/1225029980/1666037260/2195045640/2822055230/3558066130/44130-/53980-/65230-/78000454 s.28 s.H5
H2500CS380-420/50/385,017870/-11470/-15780/-20900/-26920/1497033950/1994042090/2584051450/32790-/40900-/50300-/51110--454 s.28 s.H5
H3000CC380-420/50/385,017150/-10810/-15160/-20300/-26360/1383033440/1879041380/2476051170/3183062040/4011074410/49690-/60690-/73200-/87320454 s.28 s.H5
H2700CS380-420/50/392,258360/-12210/-16840/-22340/-28840/1623036450/2163045260/2805055400/35650-/44540-/54850-/66720--454 s.35 s.H5
H3200CC380-420/50/392,257320/-11410/-16200/-21820/-28390/1541036040/2080044910/2728055110/3496066790/4395080050/54350-/66290-/79860-/95190454 s.35 s.H5
H2900CS380-420/50/3102,359160/-13580/-18790/-24920/-32080/1808040410/2404050030/3118061060/39630-/49540-/61040-/74270--454 s.35 s.H5
H3400CC380-420/50/3102,358220/-12600/-17800/-23970/-31240/1708039760/2306049650/3024061050/3875074110/4871088960/60240-/73470-/88520-/105600454 s.35 s.H5
H3000CS380-420/50/3113,7410410/-15200/-20840/-27460/-35200/1943044200/2581054570/3341066470/42390-/52900-/65110-/79170--654 s.35 s.H6
H3500CC380-420/50/3113,7410620/-15280/-20780/-27280/-34910/1824043840/2478054210/3263066160/4190079860/5275095430/65310-/79720-/96110-/114700654 s.35 s.H6
H3500CS380-420/50/3127,5211500/-16680/-22870/-30200/-38820/2201048880/2942060520/3826073880/48680-/60880-/75020-/91280--654 s.35 s.H6
H4000CC380-420/50/3127,5211870/-17230/-23480/-30800/-39350/2128049310/2886060860/3795074140/4870089350/61280106700/75850-/92540-/111600-/133000654 s.35 s.H6
H4000CS380-420/50/3138,3714090/-19650/-26260/-34090/-43280/2424054010/3232066420/4192080680/53250-/66490-/81850-/99500--654 s.42 s.H6
H4500CC380-420/50/3138,3713180/-18720/-25320/-33160/-42420/2348053270/3164065900/4131080500/5266097220/65850116300/81030-/98380-/118100-/140300654 s.42 s.H6
H4500CS380-420/50/3153,5215230/-21460/-28780/-37390/-47450/2632059140/3520072650/4579088140/58300-/72940-/89940-/109500--654 s.42 s.H6
H5000CC380-420/50/3153,5214510/-20570/-27820/-36470/-46720/2432058770/3303072810/4349089040/55890107700/70400128900/87200-/106500-/128400-/153200654 s.42 s.H6
H5000CS380-420/50/3164,3016610/-23370/-31380/-40850/-51960/2736064900/3663079880/4769097070/60760-/76060-/93800-/114300--866 s.42 s.H7
H5500CC380-420/50/3164,315870/-22670/-30770/-40440/-51910/2709065430/3651081240/4781099590/61190120800/76860144900/95010-/115900-/139600-/166400866 s.42 s.H7
H5500CS380-420/50/3184,8918570/-26180/-35190/-45810/-58260/3184072730/4233089460/54850108700/69630-/86920-/107000-/130100--880 s.42 s.H7
H6000CC380-420/50/3184,1917880/-25540/-34660/-45520/-58390/3092073550/4152091280/54310111900/69510135600/87340162700/108000-/131800-/158800-/189200880 s.42 s.H7
H6000CS380-420/50/3199,8620190/-28390/-38130/-49620/-63110/3441078830/4592097010/59650117900/75850-/94800-/116800-/142100--880 s.42 s.H7
H7500CC380-420/50/3199,8619290/-27550/-37410/-49170/-63120/3309079550/4458098760/58340121100/74630146800/93730176100/115900-/141400-/170500-/203400880 s.42 s.H7
H7501CS380-420/50/3221,7522390/-31530/-42390/-55230/-70300/3714087860/49240108200/63600131500/80500-/100300-/123200-/149500--880 s.54 s.H7
H8001CC380-420/50/3221,7521530/-30670/-41680/-54860/-70510/3460088930/46500110500/61090135300/78620163800/99350196200/123600-/151500-/183500-/219600880 s.54 s.H7
H8000CS380-420/50/3244,7824810/-34760/-46660/-60790/-77440/4048096890/54150119500/70470145400/89740-/112400-/138500-/168600--880 s.54 s.H7
H9000CC380-420/50/3244,7823550/-33630/-45670/-60030/-77050/3885097120/52620120600/69370147800/89370179200/113000215000/140300-/171800-/207700-/248200880 s.54 s.H7

Compresor Dorin H 101 CS, seria H11