| Dorin | |||||||||||||||||||
|---|---|---|---|---|---|---|---|---|---|---|---|---|---|---|---|---|---|---|---|
| Modele | Alimentare electrică (V/Hz/Ph) | Debit (m³/h) | Capacitate frigorifică [W] / Temp. vaporiz. [°C] (R404A/R134a)* (W) | Nr. cilindri | Valvă racorduri (mm) | Seria | |||||||||||||
| -40°C | -35°C | -30°C | -25°C | -20°C | -15°C | -10°C | -5°C | 0°C | +5°C | +10°C | +15°C | +20°C | suction (asp.) | discharge (ref.) | |||||
| H51CS | 380-420/50/3 | 4,42 | - | - | - | 1040 | 1320/6220 | -/8290 | -/10800 | -/13800 | -/17340 | -/21470 | -/26250 | - | - | 2 | 12 s. | 12 s. | H11 |
| H80CC | 380-420/50/3 | 4,42 | - | - | 785/- | 1040/- | 1330/585 | 1660/820 | 2050/1100 | 2500/1440 | 3020/1840 | -/2300 | -/2840 | -/3440 | -/4130 | 2 | 12 s. | 12 s. | H11 |
| H80CS | 380-420/50/3 | 5,37 | - | - | - | - | -/740 | 2150/1030 | 1720/1380 | 1350/1800 | 1030/2290 | 770/2860 | 545/3520 | - | - | 2 | 16 s. | 12 s. | H11 |
| H101CC | 380-420/50/3 | 5,37 | 470/- | 705/- | 980/- | 1310/- | 1690/730 | 2140/1020 | 2660/1370 | 3260/1780 | -/2270 | -/2840 | -/3490 | -/4230 | -/5070 | 2 | 16 s. | 12 s. | H11 |
| H101CS | 380-420/50/3 | 6,71 | 650/- | 915/- | 1230/- | 1610/- | 2050/925 | 2560/1290 | -/1720 | -/2240 | -/2850 | -/3550 | -/4370 | - | - | 2 | 16 s. | 12 s. | H11 |
| H151CC | 380-420/50/3 | 6,71 | 595/- | 875/- | 1210/- | 1600/- | 2050/935 | 2580/1300 | 3190/1730 | 3890/2250 | 4700/2860 | -/3560 | -/4380 | -/5300 | -/6340 | 2 | 16 s. | 12 s. | H11 |
| H151CS | 380-420/50/3 | 7,50 | 745/- | 1060/- | 1420/- | 1840/- | 2330/1070 | 2900/1480 | 3560/1970 | -/2560 | -/3240 | -/4040 | -/4960 | - | - | 2 | 16 s. | 12 s. | H11 |
| H181CC | 380-420/50/3 | 7,50 | 680/- | 985/- | 1350/- | 1780/- | 2290/1070 | 2890/1490 | 3580/1990 | 4390/2590 | 5310/3300 | 6350/4120 | -/5060 | -/6130 | -/7330 | 2 | 16 s. | 12 s. | H11 |
| H181CS | 380-420/50/3 | 9,16 | 900/- | 1280/- | 1720/- | 2250/- | 2870/1360 | 3590/1870 | 4430/2480 | 5390/3210 | -/4070 | -/5060 | -/6200 | - | * | 2 | 16 s. | 12 s. | H11 |
| H201CC | 380-420/50/3 | 9,16 | 735/- | 1210/- | 1710/- | 2260/- | 2880/1360 | 3590/1870 | 4400/2480 | 5340/3220 | 6430/4090 | 7690/5090 | -/6240 | -/7560 | -/9040 | 2 | 16 s. | 12 s. | H11 |
| H201CS | 380-420/50/3 | 9,88 | 965/- | 1380/- | 1860/- | 2430/- | 3100/1570 | 3880/2120 | 4770/2780 | -/3560 | -/4480 | -/5540 | -/6760 | - | - | 2 | 18 s. | 16 s. | H11 |
| H221CC | 380-420/50/3 | 9,88 | 870/- | 1290/- | 1790/- | 2370/- | 3050/1560 | 3840/2110 | 4750/2770 | 5810/3560 | 7010/4490 | 8380/5560 | -/6790 | -/8180 | -/9760 | 2 | 18 s. | 16 s. | H11 |
| H221CS | 380-420/50/3 | 10,61 | 1040/- | 1480/- | 2000/- | 2620/- | 3350/1670 | 4200/2260 | 5190/2950 | 6320/3780 | -/4750 | -/5880 | -/7180 | - | - | 2 | 18 s. | 16 s. | H11 |
| H251CC | 380-420/50/3 | 10,61 | 1040/- | 1470/- | 1990/- | 2600/- | 3310/1670 | 4150/2250 | 5120/2960 | 6250/3790 | 7530/4780 | 9000/5920 | -/7230 | -/8720 | -/10400 | 2 | 18 s. | 16 s. | H11 |
| H251CS | 380-420/50/3 | 11,64 | 1140/- | 1650/- | 2240/- | 2930/- | 3750/1940 | 4700/2590 | 5790/3360 | 7050/4260 | -/5330 | -/6560 | -/7980 | - | - | 2 | 18 s. | 16 s. | H11 |
| H281CC | 380-420/50/3 | 11,64 | 1010/- | 1520/- | 2120/- | 2820/- | 3640/1920 | 4600/2560 | 5700/3330 | 6970/4240 | 8430/5310 | 10080/6540 | -/7960 | -/9570 | -/11390 | 2 | 18 s. | 16 s. | H11 |
| H281SB | 380-420/50/3 | 13,23 | 1210/- | 1750/- | 2400/- | 3170/- | 4070/2260 | 5130/3000 | 6350/3890 | -/4940 | -/6170 | -/7590 | -/9230 | - | - | 2 | 18 s. | 16 s. | H11 |
| H281CS | 380-420/50/3 | 13,23 | 1210/- | 1750/- | 2400/- | 3170/- | 4070/2230 | 5130/2970 | 6350/3850 | 7750/4890 | -/6110 | -/7530 | -/9160 | - | - | 2 | 18 s. | 16 s. | H11 |
| H290CS | 380-420/50/3 | 14,74 | 1440/- | 2050/- | 2770/- | 3630/- | 4640/2370 | 5810/3190 | 7170/4160 | 8730/5310 | -/6660 | -/8220 | -/10020 | - | - | 2 | 22 s. | 16 s. | H2 |
| H300CC | 380-420/50/3 | 14,74 | 1380/- | 1990/- | 2710/- | 3570/- | 4580/2400 | 5760/3200 | 7140/4170 | 8730/5320 | 10550/6670 | 12630/8230 | -/10030 | -/12090 | -/14410 | 2 | 22 s. | 16 s. | H2 |
| H300CS | 380-420/50/3 | 15,94 | 1640/- | 2290/- | 3060/- | 3980/- | 5050/2560 | 6300/3440 | 7750/4500 | 9410/5760 | -/7230 | -/8930 | -/10900 | - | - | 2 | 28 s. | 16 s. | H2 |
| H350CC | 380-420/50/3 | 15,94 | 1650/- | 2310/- | 3080/- | 4000/- | 5080/2570 | 6340/3430 | 7800/4480 | 9490/5740 | 11420/7210 | 13620/8920 | -/10890 | -/13140 | -/15680 | 2 | 28 s. | 16 s. | H2 |
| H350SB | 380-420/50/3 | 17,53 | 1920/- | 2630/- | 3470/- | 4460/- | 5630/2770 | 6980/3730 | -/4880 | -/6250 | -/7850 | -/9710 | -/11840 | - | - | 2 | 28 s. | 16 s. | H2 |
| H380CC | 380-420/50/3 | 17,53 | 1920/- | 2640/- | 3490/- | 4500/- | 5670/2820 | 7050/3770 | 8640/4920 | 10480/6280 | 12580/7880 | 14980/9730 | -/11860 | -/14280 | -/17030 | 2 | 28 s. | 16 s. | H2 |
| H380SB | 380-420/50/3 | 19,53 | 2280/- | 3060/- | 3980/- | 5070/- | 6360/3050 | -/4120 | -/5390 | -/6900 | -/8670 | -/10730 | -/13100 | - | - | 2 | 28 s. | 16 s. | H2 |
| H390CS | 380-420/50/3 | 19,53 | 2290/- | 3070/- | 4000/- | 5100/- | 6380/3100 | 7880/4180 | 9610/5480 | -/7010 | -/8810 | -/10900 | -/13310 | - | - | 2 | 28 s. | 16 s. | H2 |
| H392CS | 380-420/50/3 | 23,31 | 2400/- | 3370/- | 4530/- | 5890/- | -/3620 | -/4880 | -/6400 | -/8210 | -/10320 | -/12780 | -/15620 | - | - | 2 | 28 s. | 16 s. | H2 |
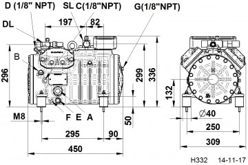
| H355CS | 380-420/50/3 | 19,29 | 2400/- | 3370/- | 4530/- | 5890/- | -/3120 | -/4160 | -/5430 | -/6940 | -/8730 | -/10830 | -/13250 | - | - | 4 | 22 s. | 16 s. | H33 |
| H405CC | 380-420/50/3 | 19,29 | 1760/- | 2510/- | 3440/- | 4580/- | 5970/3090 | 7640/4160 | 9610/5460 | 11920/7010 | 14590/8840 | 17660/10980 | -/13450 | -/16290 | -/19520 | 4 | 22 s. | 16 s. | H33 |
| H405CS | 380-420/50/3 | 23,13 | 2210/- | 3160/- | 4330/- | 5720/- | 7370/3720 | 9300/4970 | 11550/6500 | 14140/8350 | -/10540 | -/13120 | -/16120 | - | - | 4 | 28 s. | 16 s. | H33 |
| H505CC | 380-420/50/3 | 23,13 | 2100/- | 3020/- | 4150/- | 5540/- | 7210/3750 | 9200/5050 | 11550/6630 | 14280/8520 | 17430/10750 | 21040/13340 | -/16320 | -/19730 | -/23580 | 4 | 28 s. | 16 s. | H33 |
| H505CS | 380-420/50/3 | 27,33 | 2670/- | 3790/- | 5140/- | 6760/- | 8680/4440 | 10930/5910 | 13550/7710 | 16560/9880 | -/12460 | -/15480 | -/19000 | - | - | 4 | 28 s. | 18 s. | H33 |
| H705CC | 380-420/50/3 | 27,33 | 2570/- | 3660/- | 5000/- | 6630/- | 8590/4320 | 10920/5820 | 13660/7650 | 16850/9860 | 20520/12490 | 24720/15560 | -/19120 | -/23200 | -/27850 | 4 | 22 s. | 18 s. | H33 |
| H705CS | 380-420/50/3 | 31,88 | 3190/- | 4480/- | 6040/- | 7910/- | 10130/5330 | 12730/7110 | 15750/9260 | 19220/11810 | -/14810 | -/18310 | -/22350 | - | - | 4 | 28 s. | 18 s. | H33 |
| H755CC | 380-420/50/3 | 31,88 | 3080/- | 4350/- | 5920/- | 7820/- | 10090/5240 | 12790/7020 | 15950/9180 | 19630/11760 | 23870/14800 | 28710/18330 | -/22400 | -/27040 | -/32290 | 4 | 28 s. | 18 s. | H33 |
| H551CS | 380-420/50/3 | 27,33 | 3610/- | 5180/- | 7030/- | 9220/- | 11790/4490 | 14790/5960 | 18250/7750 | 22230/9890 | -/12420 | -/15380 | -/18820 | - | - | 4 | 28 s. | 22 s. | H35 |
| H701CC | 380-420/50/3 | 27,33 | 2530/- | 3620/- | 4940/- | 6540/- | 8450/4430 | 10730/5910 | 13410/7700 | 16540/9830 | 20150/12360 | 24280/15300 | -/18700 | -/22580 | -/27000 | 4 | 28 s. | 22 s. | H35 |
| H701CS | 380-420/50/3 | 31,88 | 2980/- | 4280/- | 5810/- | 7630/- | 9760/5410 | 12240/7160 | 15110/9240 | 18400/11710 | -/14610 | -/17970 | -/21840 | - | - | 4 | 28 s. | 22 s. | H35 |
| H751CC | 380-420/50/3 | 31,88 | 2890/- | 4130/- | 5640/- | 7470/- | 9670/5380 | 12270/7130 | 15340/9220 | 18910/11700 | 23040/14590 | 27770/17930 | -/21760 | -/26120 | -/31050 | 4 | 28 s. | 22 s. | H35 |
| H751CS | 380-420/50/3 | 38,06 | 2890/- | 4130/- | 5640/- | 7470/- | 9670/6220 | 12270/8290 | 15340/10800 | 18910/13800 | 23040/17340 | 27770/21470 | -/26250 | - | - | 4 | 35 s. | 22 s. | H35 |
| H1002CC | 380-420/50/3 | 38,06 | 3450/- | 4930/- | 6740/- | 8920/- | 11540/6070 | 14650/8150 | 18310/10680 | 22570/13730 | 27500/17330 | 33150/21530 | -/26370 | -/31900 | -/38170 | 4 | 35 s. | 22 s. | H35 |
| H801CS | 380-420/50/3 | 43,73 | 4200/- | 6020/- | 8180/- | 10730/- | 13730/6990 | 17220/9310 | 21250/12130 | 25890/15530 | -/19570 | -/24300 | -/29800 | - | - | 4 | 35 s. | 22 s. | H35 |
| H1003CC | 380-420/50/3 | 43,73 | 4010/- | 5720/- | 7820/- | 10350/- | 13390/6890 | 17000/9260 | 21250/12130 | 26200/15570 | 31920/19620 | 38470/24330 | -/29760 | -/35960 | -/42990 | 4 | 35 s. | 22 s. | H35 |
| H851CS | 380-420/50/3 | 42,81 | 4400/- | 6270/- | 8480/- | 11100/- | 14160/7130 | 17740/9550 | 21870/12420 | 26610/15800 | -/19760 | -/24360 | -/29640 | - | - | 4 | 35 s. | 28 s. | H41 |
| H1201CC | 380-420/50/3 | 42,81 | 4290/- | 6170/- | 8390/- | 11010/- | 14090/6620 | 17690/8980 | 21880/11830 | 26700/15240 | 32240/19260 | 38530/23940 | -/29350 | -/35530 | -/42550 | 4 | 35 s. | 28 s. | H41 |
| H1001CS | 380-420/50/3 | 48,82 | 4290/- | 6170/- | 8390/- | 11010/- | 14090/8170 | 17690/10950 | 21880/14250 | 26700/18160 | 32240/22740 | 38530/28040 | -/34140 | - | - | 4 | 35 s. | 28 s. | H41 |
| H1501CC | 380-420/50/3 | 48,82 | 5040/- | 7190/- | 9720/- | 12680/- | 16160/8170 | 20210/10950 | 24910/14250 | 30330/18160 | 36540/22740 | 43600/28040 | -/34140 | - | - | 4 | 35 s. | 28 s. | H41 |
| H1501CS | 380-420/50/3 | 56,87 | 6040/- | 8590/- | 11570/- | 15060/- | 19130/9530 | 23850/12660 | 29280/16390 | 35510/20800 | -/25960 | -/31950 | -/38840 | - | - | 4 | 35 s. | 28 s. | H41 |
| H2001CC | 380-420/50/3 | 56,87 | 6050/- | 8570/- | 11530/- | 15030/- | 19130/8750 | 23910/11850 | 29470/15620 | 35870/20130 | 43200/25440 | 51540/31630 | -/38760 | -/46910 | -/56130 | 4 | 42 s. | 28 s. | H41 |
| H1601CS | 380-420/50/3 | 63,76 | 6790/- | 9600/- | 12920/- | 16840/- | 21430/10540 | 26760/14030 | 32920/18210 | 39990/23170 | -/28980 | -/35730 | -/43500 | - | - | 4 | 42 s. | 28 s. | H41 |
| H2201CC | 380-420/50/3 | 63,76 | 6770/- | 9610/- | 12960/- | 16900/- | 21530/10540 | 26930/14030 | 33200/18210 | 40430/23170 | 48710/28980 | 58120/35730 | -/43500 | - | - | 4 | 42 s. | 28 s. | H41 |
| H2000CS | 380-420/50/3 | 75,83 | 7090/- | 10390/- | 14280/- | 18840/- | 24180/12970 | 30390/17360 | 37560/22590 | 45790/28790 | -/36060 | -/44510 | -/54250 | - | - | 4 | 42 s. | 28 s. | H5 |
| H2500CC | 380-420/50/3 | 75,83 | 6390/- | 9760/- | 13690/- | 18300/- | 23700/12250 | 29980/16660 | 37260/21950 | 45640/28220 | 55230/35580 | 66130/44130 | -/53980 | -/65230 | -/78000 | 4 | 54 s. | 28 s. | H5 |
| H2500CS | 380-420/50/3 | 85,01 | 7870/- | 11470/- | 15780/- | 20900/- | 26920/14970 | 33950/19940 | 42090/25840 | 51450/32790 | -/40900 | -/50300 | -/51110 | - | - | 4 | 54 s. | 28 s. | H5 |
| H3000CC | 380-420/50/3 | 85,01 | 7150/- | 10810/- | 15160/- | 20300/- | 26360/13830 | 33440/18790 | 41380/24760 | 51170/31830 | 62040/40110 | 74410/49690 | -/60690 | -/73200 | -/87320 | 4 | 54 s. | 28 s. | H5 |
| H2700CS | 380-420/50/3 | 92,25 | 8360/- | 12210/- | 16840/- | 22340/- | 28840/16230 | 36450/21630 | 45260/28050 | 55400/35650 | -/44540 | -/54850 | -/66720 | - | - | 4 | 54 s. | 35 s. | H5 |
| H3200CC | 380-420/50/3 | 92,25 | 7320/- | 11410/- | 16200/- | 21820/- | 28390/15410 | 36040/20800 | 44910/27280 | 55110/34960 | 66790/43950 | 80050/54350 | -/66290 | -/79860 | -/95190 | 4 | 54 s. | 35 s. | H5 |
| H2900CS | 380-420/50/3 | 102,35 | 9160/- | 13580/- | 18790/- | 24920/- | 32080/18080 | 40410/24040 | 50030/31180 | 61060/39630 | -/49540 | -/61040 | -/74270 | - | - | 4 | 54 s. | 35 s. | H5 |
| H3400CC | 380-420/50/3 | 102,35 | 8220/- | 12600/- | 17800/- | 23970/- | 31240/17080 | 39760/23060 | 49650/30240 | 61050/38750 | 74110/48710 | 88960/60240 | -/73470 | -/88520 | -/105600 | 4 | 54 s. | 35 s. | H5 |
| H3000CS | 380-420/50/3 | 113,74 | 10410/- | 15200/- | 20840/- | 27460/- | 35200/19430 | 44200/25810 | 54570/33410 | 66470/42390 | -/52900 | -/65110 | -/79170 | - | - | 6 | 54 s. | 35 s. | H6 |
| H3500CC | 380-420/50/3 | 113,74 | 10620/- | 15280/- | 20780/- | 27280/- | 34910/18240 | 43840/24780 | 54210/32630 | 66160/41900 | 79860/52750 | 95430/65310 | -/79720 | -/96110 | -/114700 | 6 | 54 s. | 35 s. | H6 |
| H3500CS | 380-420/50/3 | 127,52 | 11500/- | 16680/- | 22870/- | 30200/- | 38820/22010 | 48880/29420 | 60520/38260 | 73880/48680 | -/60880 | -/75020 | -/91280 | - | - | 6 | 54 s. | 35 s. | H6 |
| H4000CC | 380-420/50/3 | 127,52 | 11870/- | 17230/- | 23480/- | 30800/- | 39350/21280 | 49310/28860 | 60860/37950 | 74140/48700 | 89350/61280 | 106700/75850 | -/92540 | -/111600 | -/133000 | 6 | 54 s. | 35 s. | H6 |
| H4000CS | 380-420/50/3 | 138,37 | 14090/- | 19650/- | 26260/- | 34090/- | 43280/24240 | 54010/32320 | 66420/41920 | 80680/53250 | -/66490 | -/81850 | -/99500 | - | - | 6 | 54 s. | 42 s. | H6 |
| H4500CC | 380-420/50/3 | 138,37 | 13180/- | 18720/- | 25320/- | 33160/- | 42420/23480 | 53270/31640 | 65900/41310 | 80500/52660 | 97220/65850 | 116300/81030 | -/98380 | -/118100 | -/140300 | 6 | 54 s. | 42 s. | H6 |
| H4500CS | 380-420/50/3 | 153,52 | 15230/- | 21460/- | 28780/- | 37390/- | 47450/26320 | 59140/35200 | 72650/45790 | 88140/58300 | -/72940 | -/89940 | -/109500 | - | - | 6 | 54 s. | 42 s. | H6 |
| H5000CC | 380-420/50/3 | 153,52 | 14510/- | 20570/- | 27820/- | 36470/- | 46720/24320 | 58770/33030 | 72810/43490 | 89040/55890 | 107700/70400 | 128900/87200 | -/106500 | -/128400 | -/153200 | 6 | 54 s. | 42 s. | H6 |
| H5000CS | 380-420/50/3 | 164,30 | 16610/- | 23370/- | 31380/- | 40850/- | 51960/27360 | 64900/36630 | 79880/47690 | 97070/60760 | -/76060 | -/93800 | -/114300 | - | - | 8 | 66 s. | 42 s. | H7 |
| H5500CC | 380-420/50/3 | 164,3 | 15870/- | 22670/- | 30770/- | 40440/- | 51910/27090 | 65430/36510 | 81240/47810 | 99590/61190 | 120800/76860 | 144900/95010 | -/115900 | -/139600 | -/166400 | 8 | 66 s. | 42 s. | H7 |
| H5500CS | 380-420/50/3 | 184,89 | 18570/- | 26180/- | 35190/- | 45810/- | 58260/31840 | 72730/42330 | 89460/54850 | 108700/69630 | -/86920 | -/107000 | -/130100 | - | - | 8 | 80 s. | 42 s. | H7 |
| H6000CC | 380-420/50/3 | 184,19 | 17880/- | 25540/- | 34660/- | 45520/- | 58390/30920 | 73550/41520 | 91280/54310 | 111900/69510 | 135600/87340 | 162700/108000 | -/131800 | -/158800 | -/189200 | 8 | 80 s. | 42 s. | H7 |
| H6000CS | 380-420/50/3 | 199,86 | 20190/- | 28390/- | 38130/- | 49620/- | 63110/34410 | 78830/45920 | 97010/59650 | 117900/75850 | -/94800 | -/116800 | -/142100 | - | - | 8 | 80 s. | 42 s. | H7 |
| H7500CC | 380-420/50/3 | 199,86 | 19290/- | 27550/- | 37410/- | 49170/- | 63120/33090 | 79550/44580 | 98760/58340 | 121100/74630 | 146800/93730 | 176100/115900 | -/141400 | -/170500 | -/203400 | 8 | 80 s. | 42 s. | H7 |
| H7501CS | 380-420/50/3 | 221,75 | 22390/- | 31530/- | 42390/- | 55230/- | 70300/37140 | 87860/49240 | 108200/63600 | 131500/80500 | -/100300 | -/123200 | -/149500 | - | - | 8 | 80 s. | 54 s. | H7 |
| H8001CC | 380-420/50/3 | 221,75 | 21530/- | 30670/- | 41680/- | 54860/- | 70510/34600 | 88930/46500 | 110500/61090 | 135300/78620 | 163800/99350 | 196200/123600 | -/151500 | -/183500 | -/219600 | 8 | 80 s. | 54 s. | H7 |
| H8000CS | 380-420/50/3 | 244,78 | 24810/- | 34760/- | 46660/- | 60790/- | 77440/40480 | 96890/54150 | 119500/70470 | 145400/89740 | -/112400 | -/138500 | -/168600 | - | - | 8 | 80 s. | 54 s. | H7 |
| H9000CC | 380-420/50/3 | 244,78 | 23550/- | 33630/- | 45670/- | 60030/- | 77050/38850 | 97120/52620 | 120600/69370 | 147800/89370 | 179200/113000 | 215000/140300 | -/171800 | -/207700 | -/248200 | 8 | 80 s. | 54 s. | H7 |