Cubigel MS26TB compressor (R404A)

Cubigel single-phase motor (ACC) MS26TB, average and positive temperatures (MHBP), 25.93 cm3, 2244W, 230V

  • Cubigel compressor with refrigeration applications, 2244W at -10ºC*.
  • Medium and positive temperature refrigeration compressor (MHBP) applications.
  • CSR (Start and Run Capacitor), with start and run capacitors; auxiliary winding coupled and after start up. High efficiency due to the very compact dimensions of the engine and compressor in terms of capacity (cylinder capacity).
  • 220V compressor with compact design, light weight and quiet operation.
  • This small compressor model is mainly used for water coolers, beverage coolers, refrigerated display cases, refrigerated room units.
  • Single-phase power supply.
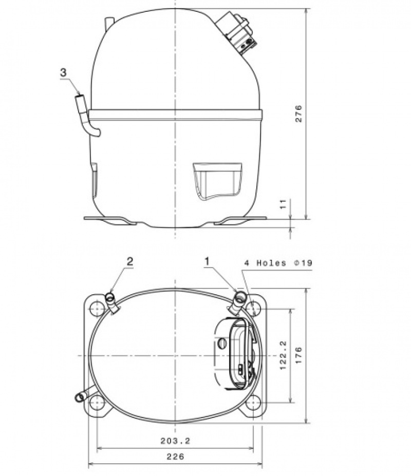
  • Net height: 276 mm.
  • Capacities exposed according to CECOMAF Tc 45°C standard.

Specifications

  • Power supply 220-240/50/1 V/Hz/Ph
  • Application MBP, HBP
  • Refrigerant R404A, R507A
  • Displacement 25.93 cm³
  • Motor type CSR
  • Cooling capacity [W] / Evapor. temp. [°C]
    • -40°C : - W
    • -35°C : - W
    • -30°C : - W
    • -25°C : 994 W
    • -15°C : 1774 W
    • -10°C : 2244 W
    • -5°C : 2768 W
    • 5°C : 3977 W
    • 7,2°C : 4271 W
    • 10°C : 4661 W
  • Net weight 23.00 kg

Comparative table

Cubigel HMBP (R404A)
Modele Power supply (V/Hz/Ph)ApplicationDisplacement (cm³)Cooling capacity [W] / Evapor. temp. [°C] (W)
-40°C-35°C-30°C-25°C-15°C-10°C-5°C5°C7,2°C10°C
ML40TB220-240/50/1MBP
HBP
4.05---168275341415588630686
ML45TB220-240/50/1MBP
HBP
4.50---192309382464658705769
ML60TB220-240/50/1MBP
HBP
5.68---217365457561805865945
ML80TB220-240/50/1MBP
HBP
7.57---295393634776110411841290
ML90TB220-240/50/1MBP
HBP
8.86---362601748915130514011528
MPT12RA220-240/50/1MBP
HBP
12.10---56092811451384192820602233
MPT14RA220-240/50/1MBP
HBP
14.32---47897912151481210622602464
MX16TB220-240/50/1MBP
HBP
16.03---626106913381640234125132740
MX18TB220-240/50/1MBP
HBP
18.40---725121315131851263928323089
MX21TB220-240/50/1MBP
HBP
20.73---802135516962079297331933484
MS26TB220-240/50/1MBP
HBP
25.93---994177422442768397742714661
MS26T3380-400/50/3MBP
HBP
25.93---994177522462770397942744664
MS34TB220-240/50/1MBP
HBP
34.42----237930023680519855626039
MS34T3380-400/50/3MBP
HBP
34.42---1139227029173619518755626053

Accessories

Cubigel MS26TB compressor (R404A)