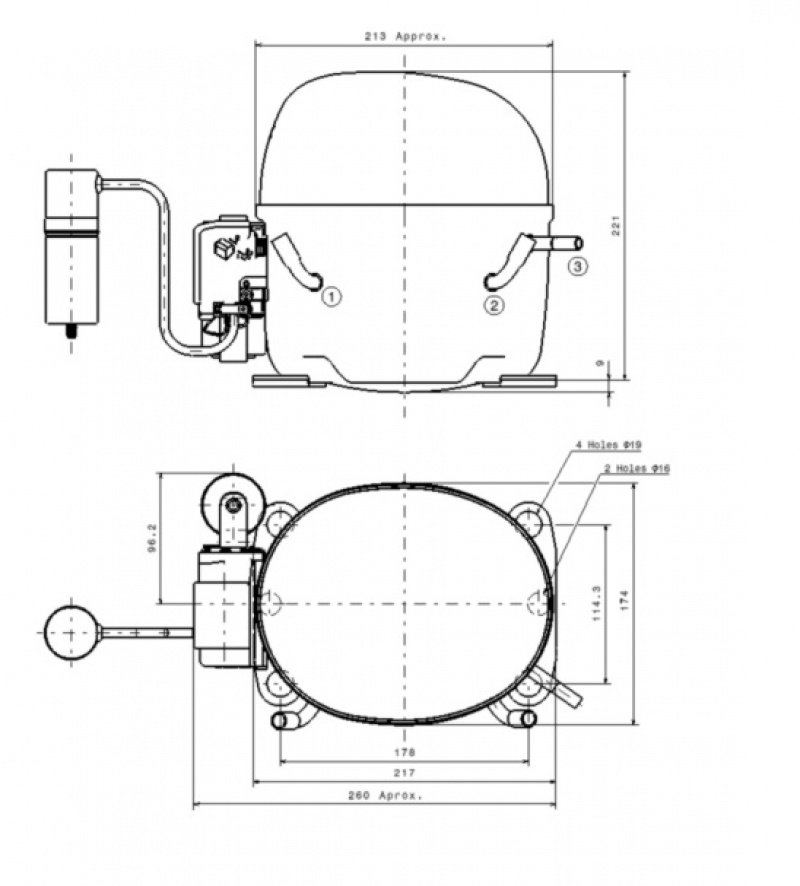
Cubigel NX18TB compressor (R290)
Cubigel single-phase motor (ACC) NX18TB, average and positive temperatures (MHBP), 18.4 cm3, 1331W, 230V
- Cubigel compressor with refrigeration applications, 1331W at -10ºC*.
- Medium and positive temperature refrigeration compressor (MHBP) applications.
- Motor: CSR (Start and Run Capacitor), with starting and operating capacitors; auxiliary winding coupled and after start up. High efficiency due to the very compact dimensions of the engine and compressor in terms of capacity (cylinder capacity).
- 220V compressor with compact design, light weight and quiet operation.
- This small compressor model is mainly used for water coolers, beverage coolers, refrigerated display cases, refrigerated units.
- Single-phase power supply.
- Net height: 221 mm.
Capacities exposed according to CECOMAF Tc 45°C standard.
- Power supply 220-240/50/1 V/Hz/Ph
- Application MBP, HBP
- Refrigerant R290
- Displacement 18.40 cm³
- Motor type CSR
- Cooling capacity [W] / Evapor. temp. [°C]
- -40°C : - W
- -35°C : - W
- -30°C : - W
- -25°C : 645 W
- -15°C : 1060 W
- -10°C : 1331 W
- -5°C : 1643 W
- 5°C : 2394 W
- 7,2°C : 2582 W
- 10°C : 2833 W
- Net weight 16.80 kg
| Cubigel HMBP (R290) |
| Modele |
Power supply (V/Hz/Ph) | Application | Displacement (cm³) | Cooling capacity [W] / Evapor. temp. [°C] (W) |
| -40°C | -35°C | -30°C | -25°C | -15°C | -10°C | -5°C | 5°C | 7,2°C | 10°C |
| NBC22RA | 220-240/50/1 | MBP HBP | 2.20 | - | - | - | 65 | 115 | 146 | 182 | 265 | 285 | 312 |
| NBC30RA | 220-240/50/1 | MBP HBP | 3.10 | - | - | - | 122 | 192 | 237 | 289 | 415 | 446 | 488 |
| NLY60RA | 220-240/50/1 | MBP HBP | 5.98 | - | - | - | 250 | 389 | 477 | 577 | 816 | 876 | 955 |
| NLY80RA | 220-240/50/1 | MBP HBP | 8.10 | - | - | - | 310 | 500 | 621 | 760 | 1092 | 1175 | 1285 |
| NPY12RA | 220-240/50/1 | MBP HBP | 12.10 | - | - | - | - | 680 | 851 | 1049 | 1528 | 1649 | 1809 |
| NX18TB | 220-240/50/1 | MBP HBP | 18.40 | - | - | - | 645 | 1060 | 1331 | 1643 | 2394 | 2582 | 2833 |
| NX21TB | 220-240/50/1 | MBP HBP | 20.72 | - | - | - | 757 | 1225 | 1528 | 1877 | 2712 | 2920 | 3198 |
Cubigel NX18TB compressor (R290)